Schemat inertyzacji azotem

Systemy redukcji tlenu Oxygen Reduction System® - Inertyzacja azotem

Firma PRD Fire Solutions będąca wyłącznym przedstawicielem ISOLCELL na terenie Polski przedstawia Systemy redukcji tlenu N2 Oxygen Reduction System® - Inertyzacja azotem. Technologia ta zapobiega powstawaniu, rozwojowi lub rozprzestrzenianiu się otwartego ognia poprzez obniżanie stężenia tlenu w chronionej strefie poprzez dostarczanie azotu.

Do niedawna koncentrowano się na jak najszybszym wykryciu ognia i jego skutecznym gaszeniu. Postęp technologiczny, staranne i drobiazgowe badania w ciągu dziesięcioleci pozwoliły znacznie zmniejszyć ryzyko pożarów w ogóle. Jednak nowa metoda, oparta na redukcji tlenu, otworzyła przed nami zupełnie nowe możliwości.

Wszystkie tradycyjne technologie lub metody przeciwpożarowe mają ten sam wspólny problem, są one stosowane, gdy szkody już wystąpią. Bez względu na to, jakie media są używane, piana, mgła lub woda są one aktywowane lub używane po wykryciu pożaru.


Często szkody spowodowane przez środki gaśnicze są gorsze niż szkody spowodowane przez sam pożar. Ponadto istnieje wiele aplikacji, takich jak centra danych, serwerownie, chłodnie, papiernie i wiele innych, w których zużycie wody, piany, aerozoli byłoby równoważne ze zniszczeniem chronionych dóbr.


Dzięki nowoczesnym generatorom azotu jesteśmy teraz w stanie stworzyć w pełni chronione środowiska i całkowicie wyeliminować zagrożenie pożarowe, zmieniając przy użyciu azotu atmosferę w chronionym obiekcie (inertyzacja azotem), umożliwiając jednocześnie pełny dostęp dla ludzi.

 

Technologia produkcji azotu

 

 

 

Technologia membranowa ISOSEP

Systemy ISOSEP są idealnym wyborem do ochrony małych i bardzo małych obiektów.

Technologia VPSA

ISOLCELL wykorzystał swoje nieporównywalne doświadczenie w dziedzinie atmosfery generowanej i kontrolowanej do opracowania opatentowanej serii ADOX®, zaprojektowanej w celu ekstremalnego ograniczenia kosztów operacyjnych (zużycie energii, utrzymanie) i podniesienia poprzeczki do najwyższego poziomu w dziedzinie produkcji azotu. Dzięki technologii niskociśnieniowej ADOX VPSA pracującej z maksymalnym ciśnieniem 1,4 bar (g) możliwe było wyeliminowanie sprężarek wysokociśnieniowych, co znacznie zmniejszyło koszty energii i konserwacji. Seria ADOX® jest szczególnie odpowiednia do ochrony średnich i dużych pomieszczeń, optymalizując koszty operacyjne nawet o 60% w porównaniu z „tradycyjnymi” technologiami produkcji azotu przy zachowaniu bardzo dużej wydajności.

 

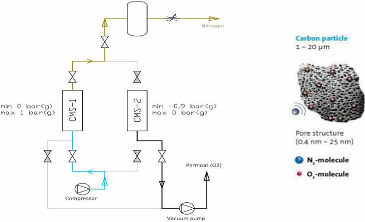
Technologia PSA NIMOS

Technologia PSA NIMOS (Pressure Swing Adsorption)

Systemy PSA pracują pod ciśnieniem od 6 do 10 barów (g).

Jako separator powietrza zastosowano CMS (Carbon Molecular Sieve).

Systemy PSA NIMOS zostały zaprojektowane do ochrony średnich i dużych obiektów. 

 

 

Porównanie technologii produkcji azotu

 

 

 

Zalety systemów Oxygen Reduction System®

 

• Eliminacja ryzyka pożaru, aktywna ochrona 24/7/365

• Zapewniona ciągłość działania 

• Pełne bezpieczeństwo chronionych dóbr

• Ograniczenie uszkodzeń spowodowanych dymem

• Brak uszkodzeń powodowanych przez środki gaśnicze takie jak woda, piana, aerozol itp.

• Brak toksyczności atmosfery ochronnej

• Brak zanieczyszczeń, brak pozostałości po środku ochronnym

• Atmosfera ochronna bezpieczna dla człowieka

Typowe zastosowania

• HBW (magazyny wysokiego składowania)

• Magazyny automatyczne

• Chłodnie

• Centra danych

• Serwerownie

• Archiwa i biblioteki

• Muzea i archiwa

• Itp.

Zapytaj o nasze referencje!

Przykładowe realizacje

Kontakt

ul. Rejowska 99

26-110 Skarżysko-Kamienna

+48 535 951 939

Dział Handlowy

tel.: +48 535 951 939

e-mail: pstepien@prd-fs.pl

Dział Serwisu

tel.: +48 660 227 360

e-mail: serwis@prd-fs.pl

Dział Projektowy

tel.: +48 537 006 753

e-mail: acukierski@prd-fs.pl